|
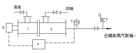
zaifadianshengchanguochengzhong,dabufenzhengqizhijieyongyufadian,tongshi,weileshengchandexuyao,haiyaocongqilunjichouqubufenzhengqiyongyuqitayongtu。rubeifangdiqudianchang,guoluyibandouzhuangyouzhengqinuanfengji,dongjichangfangcainuanyeyaoyongdaliangdezhengqi,nanfangdianchangxiajicaiyongxiuhualizhilengyexuyaodiyazhengqi。lingwai,guoluyouqiangdewuhua,guoluchuihuideng,haiyouduiyu300~600MWjizuguolugeishuibengyongxiaoqilunjituodong。xiaoqilunjidequdongzhengqi,yeyaoyongdaqilunjidechouqi。zhexiefeifadianyongzhengqiyibandouyaoqiuyoujiaowendingdeyali,erqilunjisuizhedianfuhedebianhua,qichouqiyaliyehuibianhua,weilemanzufeifadianyongzhengqiduiyaliwendingdeyaoqiu,tongshijiangdifeifadianyongqiduijizujingjixingdeyingxiang,shejishangduifeifadianyongqiyibandoucaiyongliangzhongzhengqizuoqiyuan,zaigaofuheshiyongdiyachouqizuoqiyuan,zaidifuheshiyonggaoyachouqijianyagongqi。yiguonei300W和600MW電廠用汽係統的典型設計為例,為保證廠用汽係統壓力的穩定,設計上采用中壓缸排汽(簡稱中排)和高壓缸排汽(簡稱高排)兩liang路lu汽qi源yuan,當dang機ji組zu負fu荷he較jiao高gao時shi,由you中zhong排pai供gong汽qi,當dang機ji組zu負fu荷he較jiao低di時shi,由you於yu中zhong壓ya缸gang排pai汽qi壓ya力li降jiang低di,不bu能neng滿man足zu廠chang用yong汽qi的de需xu要yao,改gai由you高gao排pai減jian壓ya供gong汽qi。對dui於yu亞ya臨lin界jie300MW和600MW機組,其高壓缸和中壓缸排汽溫度基本上相同,在330℃zuoyou,danyalixiangchajiaoda,zuogongnengliyoujiaodadechabie,gaopaizhengqijingjianyagongyingfuzhuzhengqi,baibaisunshilegaopaizhengqidezuogongnengli,jiangdilezhenggejizudejingjixing。 如果能用高排蒸汽的壓力能將中排蒸汽的壓力提高滿足輔助用蒸汽的需要,則可以減少高排蒸汽的用汽量,提高整個機組的經濟性。 汽輪機壓力匹配器是把高、低蒸汽混合、輸出中等壓力蒸汽的設備。 壓力匹配器的原理:壓(ya)力(li)匹(pi)配(pei)器(qi)的(de)作(zuo)用(yong)是(shi)利(li)用(yong)高(gao)壓(ya)蒸(zheng)汽(qi)有(you)用(yong)能(neng),提(ti)高(gao)低(di)壓(ya)蒸(zheng)汽(qi)的(de)壓(ya)力(li),兩(liang)者(zhe)混(hun)合(he),形(xing)成(cheng)中(zhong)等(deng)壓(ya)力(li)的(de)蒸(zheng)汽(qi)。因(yin)此(ci)壓(ya)力(li)匹(pi)配(pei)器(qi)是(shi)輔(fu)助(zhu)蒸(zheng)汽(qi)聯(lian)箱(xiang)節(jie)能(neng)的(de)理(li)想(xiang)設(she)備(bei)。 壓力匹配器在輔助蒸汽係統中的安裝係統圖如下: 
1、多芯針型調節閥 2、壓力匹配器本體 3、壓力變送器 4、DCS係統 5、電動執行器 6、安全閥 在zai高gao負fu荷he時shi四si抽chou蒸zheng汽qi可ke以yi滿man足zu輔fu助zhu蒸zheng汽qi的de壓ya力li要yao求qiu,針zhen型xing調tiao節jie閥fa自zi動dong關guan閉bi,在zai低di負fu荷he時shi,四si抽chou蒸zheng汽qi壓ya力li低di於yu輔fu助zhu蒸zheng汽qi壓ya力li時shi針zhen型xing調tiao節jie閥fa自zi動dong開kai啟qi,高gao排pai蒸zheng汽qi抽chou吸xi四si抽chou蒸zheng汽qi,升sheng壓ya,供gong輔fu助zhu蒸zheng汽qi使shi用yong。 壓(ya)力(li)匹(pi)配(pei)器(qi)除(chu)了(le)實(shi)現(xian)蒸(zheng)汽(qi)的(de)梯(ti)級(ji)利(li)用(yong),還(hai)方(fang)便(bian)了(le)運(yun)行(xing),提(ti)高(gao)了(le)運(yun)行(xing)的(de)安(an)全(quan)性(xing),在(zai)電(dian)負(fu)荷(he)變(bian)化(hua)時(shi)不(bu)需(xu)要(yao)再(zai)切(qie)換(huan)輔(fu)助(zhu)蒸(zheng)汽(qi)係(xi)統(tong)的(de)高(gao)低(di)壓(ya)閥(fa)門(men)。 例如,某電力公司在GE生產的350MW輔助蒸汽係統應用了壓力匹配器的相似產品,取得了顯著節能效果,全年降低發電煤耗3g/kw.h。 該公司350MW機組輔助蒸汽係統運行壓力0.5MPa,年運行平均流量30t/h,當機組負荷低於300MW時,四抽蒸汽接近0.5MPa,yuanxitongwufaxiangfuzhuzhengqixitonggongqi,yaoquanbuyonggaopaizhengqijieliugongqi。jiazhuangyalipipeiqixiangsichanpinhouyongshaolianggaopaizhengqiyinshesichouzhengqi,lianhexiangfuzhuzhengqixitonggongqi,gaopaizhengqigongfuzhuzhengqideqiliangyougaizaoqiande90%降低到目前的30%以下。 當輔助蒸汽用量為30t/h時,用高排蒸汽供輔助蒸汽時,要比用四抽蒸汽供輔助蒸汽時,機組減少出力3766KW,供電煤耗上升3.23g/kw.h,當負荷在280MW時,供電煤耗上升4.4g/kw.h。 實際上,當機組負荷在260MW時,四抽表壓為0.45MPa,僅比輔助蒸汽壓力低0.05MPa,這(zhe)時(shi)僅(jin)需(xu)少(shao)量(liang)高(gao)排(pai)蒸(zheng)汽(qi)引(yin)抽(chou)四(si)抽(chou)蒸(zheng)汽(qi)就(jiu)能(neng)滿(man)足(zu)輔(fu)助(zhu)蒸(zheng)汽(qi)的(de)需(xu)要(yao),實(shi)現(xian)高(gao)排(pai)和(he)四(si)抽(chou)聯(lian)合(he)供(gong)汽(qi),減(jian)少(shao)高(gao)排(pai)的(de)用(yong)汽(qi)量(liang),增(zeng)加(jia)了(le)四(si)抽(chou)用(yong)汽(qi)量(liang),從(cong)而(er)提(ti)高(gao)了(le)機(ji)組(zu)的(de)經(jing)濟(ji)性(xing)。(作者:王汝武)
沈陽飛鴻達節能設備技術開發有限公司 電話: 傳真:
|